全国服务热线:
13080820096
公告:
河北设有分部,服务市场扩及山东,江苏等省份
选择栏目
新闻资讯
产品展示
工程案例
资质荣誉
科普知识
网站首页
公司简介
新闻资讯
产品展示
经销风机
经销减速 ...
联轴器
十字万向 ...
制动器
液力耦合 ...
离合器
逆止器
生产、经 ...
生产除雪 ...
生产、设 ...
科普知识
工程案例
资质荣誉
营销网络
在线留言
联系我们
产品展示
经销风机
磁悬鼓风机
风机
经销减速机
国产行星减速机
国产硬齿面减速机
国产摆线减速机
进口西伯瀚减速机
联轴器
膜片联轴器
鼓型齿式联轴器
梅花联轴器
星型联轴器
弹性套柱销联轴器
蛇簧联轴器
LK型弹性块联轴 ...
鞍型块联轴器
十字万向轴
swp型十字万向 ...
swc型十字万向 ...
swl型十字万向 ...
制动器
液力耦合器
离合器
逆止器
生产、经销液压缸
生产除雪车备件
五瓜轴承座
轮胎整体
六方胶木套
八齿
生产、设计自动化 ...
设计研发
生产制造
新闻资讯
选择沈阳联轴器厂家的时候需 ...
电磁制动器使用时注意事项
电磁制动器制动原理解析
电磁制动器转矩的产生原理
蛇形弹簧联轴器成品设计使用 ...
联系我们
contact us
13080820096
全国服务热线:
地址:
沈阳市于洪区红润路118号
邮箱:
shenyangpuruisen@163.com
手机:
13080820096
电话:
13080820096
产品展示
当前位置:
首页
>
产品展示
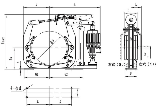
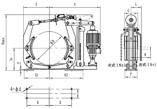
YW系列电力液压鼓式制动器
添加时间:2020-06-24
产品详情
[上一条]:
YW系列气动鼓式制动器
[下一条]:
YWZ(B)系列常开操纵鼓式制动器
【返回列表】