全国服务热线:13080820096
公告:
河北设有分部,服务市场扩及山东,江苏等省份
产品展示 当前位置:首页>产品展示
传动轴 铝合金罩壳链轮联轴器 KC系列联轴器 支持定制
传动轴 铝合金罩壳链轮联轴器 KC系列联轴器 支持定制 添加时间:2020-12-11

产品详情

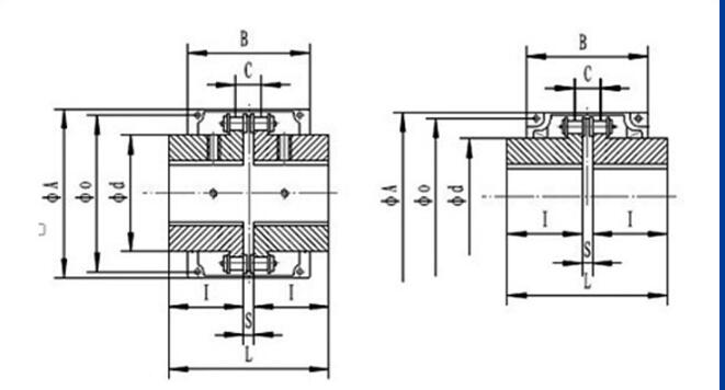
标准编号 GB/T 4323-2002 联轴器类型 链条联轴器 品牌 普瑞森
型号 KC 公称转矩 125-16000(N.m) 轴孔 25-170
外形尺寸 200-710(mm) 许用转速 3800-1000(r/m) 孔径 170(mm)








产品详细介绍:
KC链轮联轴器是利用公用的链条,同时与两个齿数相同的并列链轮啮合,不同结构型式的链条联轴器主要区别是采用不同的链条,常见的有双排滚子链联轴器、单排滚子链联轴器、齿形链联轴器、尼龙链联轴器等。双排滚子链联轴器性能优于其他结构型式的联轴器,为国内外广泛采用,我国亦已制订为国家标准GB6069-2002。
  巨德生产的KC型滚子链联轴器可用于纺织、农机、起重运输、工程、矿山、轻工、化工等机械的轴系传动,适用于高温、潮湿和多尘工况环境,不适用高速、有剧烈冲击载荷和传递轴向力的场合,链条联轴器应在良好的润滑并有防护罩的条件下工作。
KC型滚子链联轴器的特点如下:
  1、利用公用链条同时与两个齿数相同的并列链轮啮合,以实现两半联轴器联结。
  2、结构简单、装卸方便;拆卸时不用移动被联结的两轴。
  3、尺寸紧凑,质量轻,有一定的补偿能力,对安装要求精度不高。
  4、寿命长,成本低,适用于高温潮湿和多尘工况环境。