产品展示
新闻资讯
联系我们contact us
13080820096 全国服务热线:
- 地址:
- 沈阳市于洪区红润路118号
- 邮箱:
- shenyangpuruisen@163.com
- 手机:
- 13080820096
- 电话:
- 13080820096

厂家直销SWC型万向联轴器,SWP型万向联轴器,SWPA有伸缩单型万向联轴器 添加时间:2020-12-11
产品详情
| 型号 | 万向节联轴器 | 公称转矩 | 150(N.m) | 轴孔 | 15 |
| 外形尺寸 | 325(mm) | 许用转速 | 960(r/m) | 孔径 | 14(mm) |




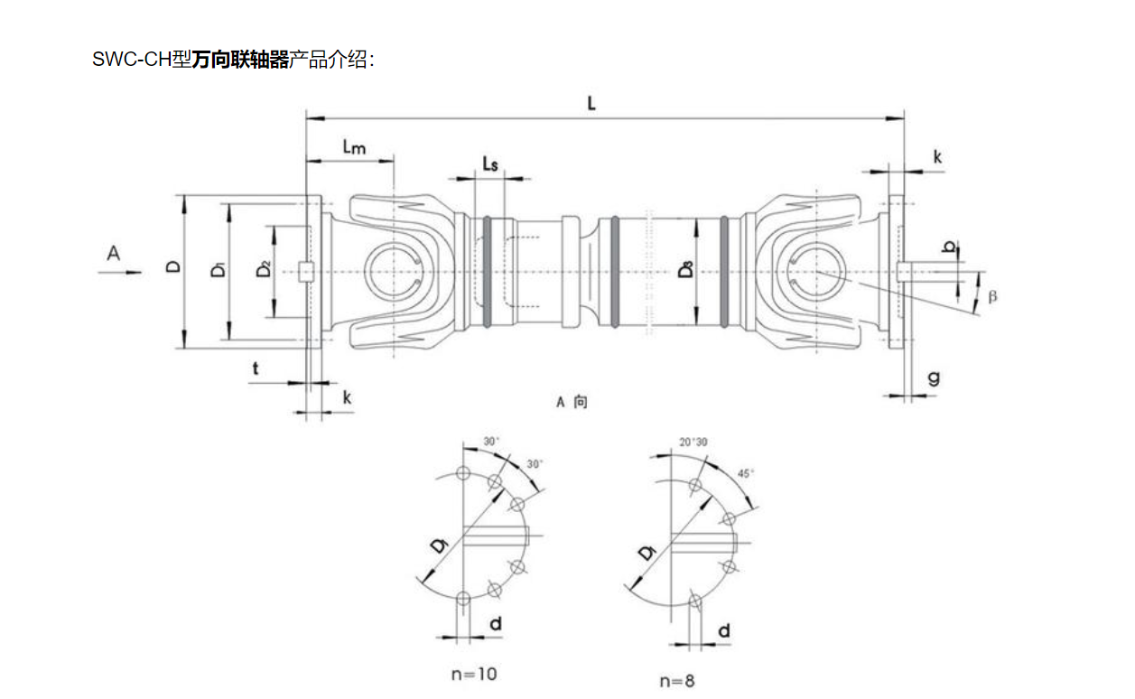
万向联轴器利用其机构的特点,使两轴不在同一轴线,存在轴线夹角的情况下能实现所联接的两轴连续回转,并可靠地传递转矩和运动。万向联轴器最大的特点是:其结构有较大的角向补偿能力,结构紧凑,传动效率高。不同结构型式万向联轴器两轴线夹角不相同,一般在5°-45°之间。
结构型式
万向联轴器有多种结构型式,例如:十字轴式、球笼式、球叉式、凸块式、球销式、球铰式、球铰柱塞式、三销式、三叉杆式、三球销式、铰杆式等;最常用的为十字轴式,其次为球笼式。在实际应用中,根据所传递转矩大小,分为重型、中型、轻型和小型。
结构型式
万向联轴器有多种结构型式,例如:十字轴式、球笼式、球叉式、凸块式、球销式、球铰式、球铰柱塞式、三销式、三叉杆式、三球销式、铰杆式等;最常用的为十字轴式,其次为球笼式。在实际应用中,根据所传递转矩大小,分为重型、中型、轻型和小型。


[上一条]:十字万向联轴器 SWP/SWC万向联轴器
[下一条]:十字万向联轴器 SWP/SWC万向联轴器


